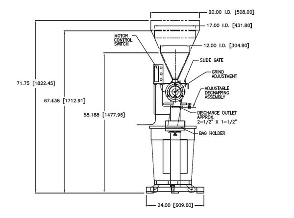
See more about this grinder on our website. CLICK HERE to go to the GPC.WCI grinder page.

About Modern Process Equipment Corporation
Founded in 1957 with worldwide headquarters in Chicago, USA, Modern Process Equipment Corporation, a family-owned business, has established a reputation for designing, manufacturing and offering unparalleled products and services.
MPE is dedicated to leading in the invention, development, and manufacture of our industry’s most advanced processing equipment, including grinders, conveyors, and total system solutions. We translate these offerings into value for our customers through our professional solutions and services.
We bring the same sense of commitment home by creating a workplace where people are inspired to be the best that they can be both professionally and personally.
INSPECTION
Equipment offered for sale is sold “as is / where is” subject to sale terms and conditions. Used Elite equipment is used and may contain defects or aesthetic Issues. Buyer may inspect the equipment prior to purchase. Inspection is by appointment only. A fully refundable 10% inspection deposit is required to assure seller of intention. Contact us for arrangements.
PURCHASE AND SALE AGREEMENTS
All equipment sales will include a DocuSign digital Purchase and Sale agreement executed by the Buyer and Seller.
PAYMENT
Bank Wire Transfer or ACH are the only payment options for Coffee Equipment Pros purchases and Seller payment. The Bank Wire Transfer or ACH must be completed within 5 days of purchase agreement execution or the transaction is void unless otherwise arranged. Coffee Equipment Pros bank wire transfer information will be provided at time of invoice. Used Elite equipment Seller will provide their bank wire transfer information at time of invoice request.
EQUIPMENT RELOCATION
Seller is responsible for equipment decommissioning and disassembly effort and costs. Buyer is financially responsible for equipment preparation and transit. Equipment will be prepared for relocating by professional crating efforts facilitated and monitored by Coffee Equipment Pros Logistics. This includes crate/pallet/wrap/strap progress pictures that will need to be approved. Equipment transportation will be either pick-up by Buyer or Coffee Equipment Pros facilitated freight and/or shipping including timely communications to all parties. International purchases will include customs and documentation arrangements.
CONTACT US
Any questions or inquires, contact us direct by:
• Calling us at 855-585-2500 during business hours (9am-6pm CST)
• Text us anytime at 682-231-2640
• Email us at support@cepros.com
• Click HERE for contact form
Fresh Used Elite Collection
Most Popular Bundled With This Product
Frequently Asked Buyer Questions
Once a Used Elite equipment sale has transacted, what’s involved in relocating the equipment?
Once the seller confirms full payment has been received, CEPros will move on the previously scheduled equipment prep and engage the crating company and freight company. Or, if optioned, CEPros will facilitate a buyer pick-up.
CEPros requires crating companies to take photos of the equipment crating that are reviewed and approved by us before freight is scheduled.
This assures a safe equipment transport.
Once the crating photos have been approved, CEPros notifies the buyer the equipment is ready to ship and confirms the delivery address and buyer's schedule.
All shipments are insured and include an appointment delivery time that works with your schedule.
Learn more about our Service Guarantee.
What communications can I expect when listing equipment to sell or after I purchase?
Our goal is to negotiate a quick and seamless transaction, and ongoing communication is key. We will stay in close contact with you every step of the way during your roasting equipment selling or buying process with CEPros. You will always know what the next step is. Our goal is for you to hear from us first, but if you ever have a question, just contact us. We're a quick phone call, text, or email away!
What is your 48-Hour Quick Pay Promise?
We offer every Used Elite Seller our 48-Hour QuickPay Promise. Meaning, the moment you transact your equipment purchase, we immediately process payment to the seller.
What this means to you is no distractions, no delays, and no excuses in getting your equipment to you. Because, at CEPros, we know that Roasters Need to Roast. And that means getting that piece of equipment to you and to work as quickly as possible.
Can I finance equipment other than a new roaster?
Yes! You can finance anything you purchase from CEPros, including our new ancillary and Used Elite equipment. You can even finance our Tek-Net service packages!
What is Equipment Bundling?
Coffee equipment bundling lets you combine ancillary coffee roasting equipment and/or a coffee roaster into a single package or offering, often at a discounted price. This can include items like destoners, grinders, K-cup fillers, and sealers. Bundling eliminates the need to shop for individual items separately, saving time and potentially reducing costs. Learn more about how you can save with equipment bundling and one-stop shopping.
What are the benefits of utilizing CEPros Tek-Net and purchasing a service package?
When we set up your new or Used Elite coffee roaster to integrate seamlessly into your coffee roastery, you should see performance and profit gains quickly. You'll minimize training lag (eliminate learning curve with tech assistance), hit roasting quotas (achieve full production performance quickly), and increase profits (start producing coffee faster with less waste and minimal downtime).